手動夾具
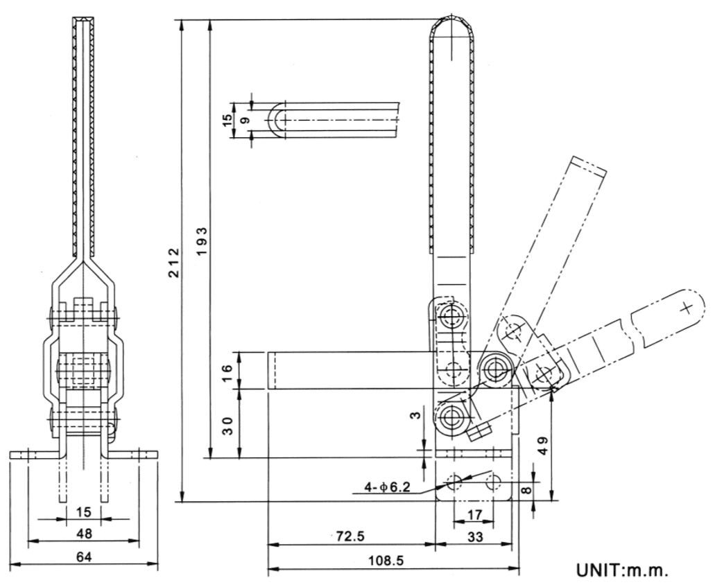
U型壓把→壓把長度=72.5mm,壓把高度=30mm
法蘭座→底座孔中心距離:(X,Y)=(17mm,48mm)
直把手(紅色膠套)
標準配件=SA-085012-W (一個50mm長的外六角螺絲+2顆M8螺母+2個M8墊片)
使用M8或5/16"黑色橡膠頭螺絲,有各種長度的螺絲:
FC-086312(公制,總長63mm)
FC-087512(公制,總長75mm)
FC-0810512(公制,總長105mm)
FC-56212(英制,總長63mm)
FC-56400(英制,總長102mm)