手動夾具
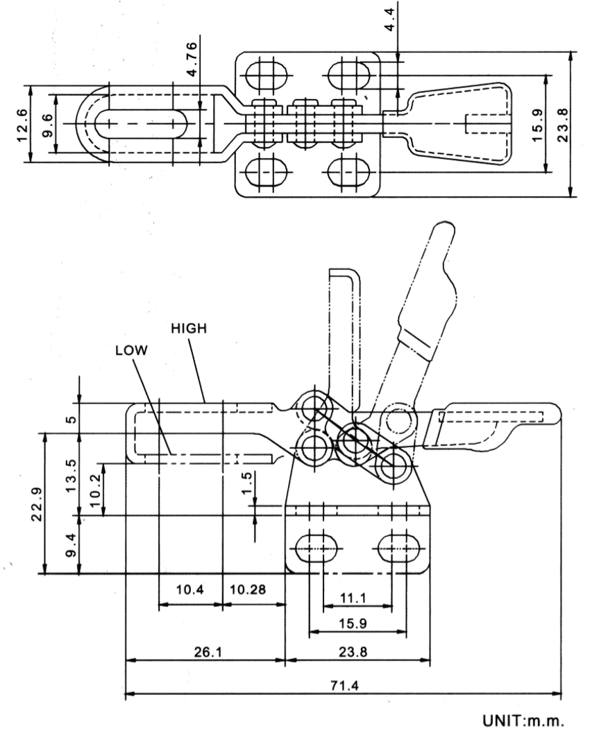
壓把→壓把長度=26.1mm,壓把高度=10.2mm
法蘭座→底座孔中心距:(X1,X2,Y)=(11.1mm,15.9mm,15.9mm)
直把手(紅色膠套)
標準配件=SA-08034(一個20mm長的白尼龍螺絲+2顆5/32"螺母)
使用M4或5/32"的黑色橡膠頭螺絲,有各種長度的螺絲:
FC-042007 (公制,總長20長)
FC-042507 (公制,總長25長)
FC-043007 (公制,總長30長)
FC-043507 (公制,總長35長)
FC-044207 (公制,總長42長)
SA-08034(尼龍) (英制,總長20長)