手動夾具
U型壓把→壓把長度=39mm,壓把高度=20.7mm
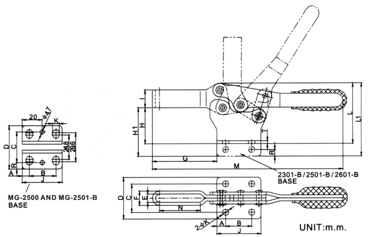
法蘭座→底座孔中心距離:(X,Y)=(13.4mm,16.8mm)
直把手(紅色膠套)
標準配件=FC-10138-W (一個35mm長的黑色橡膠頭螺絲+2顆3/16"螺母+2個M5墊片)
使用M5或3/16"的黑色橡膠頭螺絲,有各種長度的螺絲:
FC-053508 (公制,總長35長)
FC-054508 (公制,總長45長)
FC-055008 (公制,總長50長)
FC-10138(英制,總長35長)
FC-10134(英制,總長45長)