Language
繁體中文
English
首頁
關於我們
新聞消息
產品介紹
快速夾鉗
垂直式夾鉗
氣壓夾鉗
水平式夾鉗
水平式不銹鋼夾鉗
推拉式夾鉗
推拉式不銹鋼夾鉗
門閂式夾鉗
門閂式不銹鋼夾鉗
擠壓式夾鉗
複合組立式夾鉗
快速夾鉗配件
最新開發產品
F型夾鉗
垂直式不銹鋼夾鉗
台車
物流油壓升降台車
塑鋼台車
物流油壓升降不銹鋼台車
太空梭油膜
太空梭油膜
自動車床精密加工件
自動車床精密加工件
營養保健食品
營養保健食品
轉角缸
夾緊器
順序閥
減壓閥
控制閥
氮氣彈簧
油壓缸
轉角缸
氣缸
電子型錄
聯絡我們
產品介紹
首頁
產品介紹
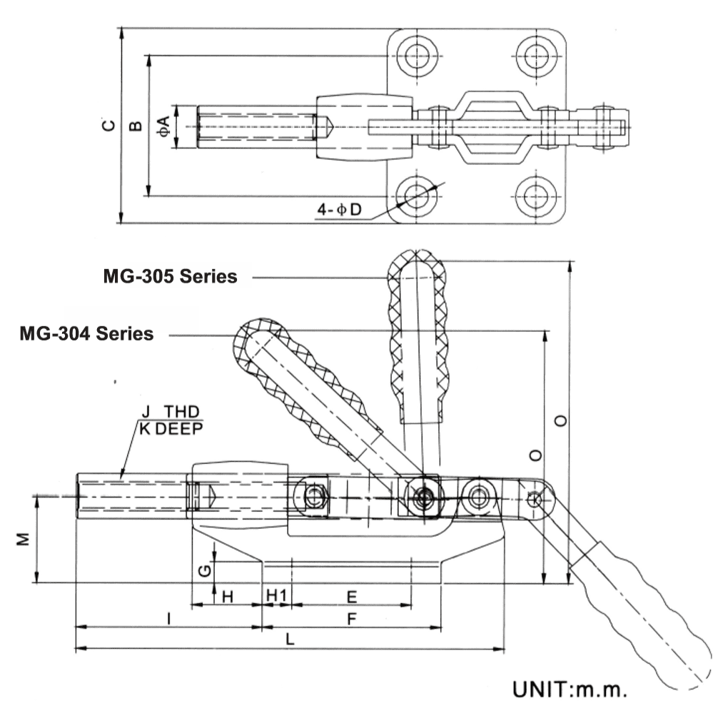
MG-304-CM
型號 ID:Push/Pull
*Ductiles iron base(底座為鑄鋼)
WEIGHT(自重):340g
HOLDING CAPACITY(夾持力):227kg
SPINDLE SUPPLIED (壓頭螺絲型號):SA-085012
HANDLE OPENS(手柄開啟角度):180°
PLUNGER STROKE(行程):32mm
PREV
NEXT
特性說明
規格數據
相關配件
手動夾具
底座孔中心距:(X,Y)=(35mm,41.1mm)
主軸中心高度=25.4mm
標準配件=SA-085012(一個50mm長的外六角螺絲+1顆M8螺母)
使用M8黑色橡膠頭螺絲,有各種長度的螺絲:
FC-086312(公制,總長63mm)
FC-087512(公制,總長75mm)
FC-0810512(公制,總長105mm)
產品分類
快速夾鉗
垂直式夾鉗
氣壓夾鉗
水平式夾鉗
水平式不銹鋼夾鉗
推拉式夾鉗
推拉式不銹鋼夾鉗
門閂式夾鉗
門閂式不銹鋼夾鉗
擠壓式夾鉗
複合組立式夾鉗
快速夾鉗配件
最新開發產品
F型夾鉗
垂直式不銹鋼夾鉗
台車
物流油壓升降台車
塑鋼台車
物流油壓升降不銹鋼台車
太空梭油膜
太空梭油膜
自動車床精密加工件
自動車床精密加工件
營養保健食品
營養保健食品
轉角缸
夾緊器
順序閥
減壓閥
控制閥
氮氣彈簧
油壓缸
轉角缸
氣缸
首頁
關於我們
新聞消息
產品介紹
快速夾鉗
垂直式夾鉗
氣壓夾鉗
水平式夾鉗
水平式不銹鋼夾鉗
推拉式夾鉗
推拉式不銹鋼夾鉗
門閂式夾鉗
門閂式不銹鋼夾鉗
擠壓式夾鉗
複合組立式夾鉗
快速夾鉗配件
最新開發產品
F型夾鉗
垂直式不銹鋼夾鉗
台車
物流油壓升降台車
塑鋼台車
物流油壓升降不銹鋼台車
太空梭油膜
太空梭油膜
自動車床精密加工件
自動車床精密加工件
營養保健食品
營養保健食品
轉角缸
夾緊器
順序閥
減壓閥
控制閥
氮氣彈簧
油壓缸
轉角缸
氣缸
電子型錄
聯絡我們